Лабораторная работа №4
Эффект
Холла в примесных полупроводниках.
Цель работы: Изучить
эффект Холла в примесных полупроводниках. Ознакомиться с методом измерения
концентрации и подвижности основных носителей тока в примесных полупроводниках
с помощью эффекта Холла.
Требуемое оборудование, входящее в состав модульного учебного
комплекса МУК-ТТ1:
1. Блок амперметра-вольтметра АВ1 1 шт.
2. Блок генератора напряжений ГН3 1 шт.
3. Стенд с объектами исследования
С3-ЭХ01 1 шт.
4. Соединительные провода с
наконечниками Ш4-Ш1.6 6 шт.
Теория
Пусть по образцу, имеющему форму
прямоугольного параллелепипеда, протекает электрический ток силой I,
поддерживаемый источником (рис.1). Найдем на нижней и верхней гранях точки 3 и
4, лежащие на одной эквипотенциальной поверхности (т. е. точки, разность
потенциалов между которыми при протекании тока равна нулю) и припаяем к ним
измерительные зонды. Поместим образец в поперечное магнитное поле, как показано
на рис.1. Теперь на движущиеся носители тока будет действовать сила Лоренца, в
результате между точками 3 и 4 возникнет разность потенциалов UH (UХ). Это напряжение называется напряжением Холла, а само явление – поперечным эффектом Холла.

Рис.1. Эффект Холла.
Экспериментальные данные
позволили заключить, что
, (1)
где I - сила тока
протекающего через образец; B - индукция магнитного поля; b -
толщина образца (размер по магнитному полю);
– коэффициент Холла, зависящий от рода вещества.
Рассмотрим механизм
появления поперечной разности потенциалов в примесном полупроводнике. Если
носителями тока в образце являются отрицательно заряженные электроны
(полупроводник n - типа), их
дрейфовая скорость
направлена навстречу силе
тока. Сила Лоренца
, действующая на каждый электрон, перпендикулярна как вектору дрейфовой
скорости, так и вектору магнитной индукции
и равна
],
(2)
где е – заряд электрона.
Сила Лоренца для ситуации,
которая изображена на рис.1, будет смещать электроны к нижней грани образца
(точка 3), в результате чего грань получит избыточный отрицательный заряд. На
верхней грани за счет оттока от нее электронов возникнет нескомпенсированный
положительный заряд ионов донорной примеси. Перераспределение заряда приведет к
появлению в пространстве между гранями электрического поля, вектор
напряженности которого
направлен от положительно
заряженной грани к отрицательно заряженной. Электроны будут испытывать со
стороны этого электрического поля действие силы, направленной против
:
. ,
(3)
Из сказанного следует, что
на электрон внутри образца действуют одновременно две поперечные противоположно
направленные силы: сила Лоренца и сила со стороны электрического поля.
Накопление избыточного заряда на гранях образца прекратится, когда векторная сумма
этих сил станет равной нулю. Достигнутое при этом состояние называется
стационарным, т.е. не меняющимся со временем. Для этого состояния выполняется
равенство
, , (4)
где
- напряженность холловского
поля, которая связана с холловской разностью потенциалов
между точками 3 и 4 образца
формулой
. (5)
Если для изготовления
исследуемого образца используется примесный полупроводник р – типа, в
котором основными носителями тока являются положительно заряженные дырки, то
направление их движения будет совпадать с направлением тока. Сила Лоренца,
действующая на дырки со стороны магнитного поля
(рис.1) будет направлена
по-прежнему к нижней грани. Следовательно, нижняя грань такого датчика получит
избыточный положительный заряд, а верхняя –
отрицательный. Знак заряда граней легко установить по знаку разности
потенциалов между гранями, то есть по знаку величины
.
Любой примесный полупроводник при
достаточно высокой для него температуре становится собственным. У собственного
полупроводника концентрации свободных электронов и дырок одинаковы. Чтобы быть
уверенными, что исследуемый образец содержит один тип носителей тока,
необходимо определить рабочий диапазон температур. Для этого достаточно
экспериментально получить зависимость lnσ
от 1/T, где σ -
электропроводность полупроводникового образца при абсолютной температуре Т.
Из теории известно, что эта зависимость имеет вид, представленный на рис.2.

Рис.
2. Температурная
зависимость электропроводности полупроводника.
Здесь первый участок зависимости,
который наблюдается при низких температурах, соответствует примесной
проводимости, второй при средних температурах – насыщению примесной
проводимости, а третий при высоких температурах собственной проводимости. Для
измерений подходит диапазон температур, соответствующий области примесной
проводимости и области насыщения примесной проводимости. В этом диапазоне
температур концентрация носителей тока одного знака существенно превышает
концентрацию носителей другого знака.
Если, как предполагалось выше, датчик
изготовлен из донорного полупроводника, то его электропроводность определяется
формулой
σ = enμ, (6)
где n - концентрация свободных
электронов; μ - подвижность
носителей тока, которая равна: μ = vдр/E, где vдр
- дрейфовая скорость носителей тока при напряженности электрического поля E.
Постоянная Холла в области температур,
для которой концентрация свободных электронов много больше концентрации дырок,
определяется формулой
, (7)
где A - поправочный множитель
учитывает механизм рассеяния носителей тока в полупроводнике. Для низких
температур, когда основным является рассеяние на ионах примеси, он равен A =1,93.
Все эти характеристики зависят от
температуры Т и от типа рассеяния. При низких температурах
µ ~
T3/2;
, , (8)
где
-
энергия активации примеси; k - постоянная Больцмана.
Методика эксперимента
Электропроводность образца σ величина обратная его удельному
сопротивлению ρ:
σ= 1/ρ.
Удельное сопротивление связано с
сопротивлением образца, измеряемым на участке между точками 1 и 2 следующим
соотношением:

где -
расстояние между точками 1 и 2 образца; bd -
площадь поперечного сечения образца.
Сопротивление, сила тока и продольное
напряжение между точками 1 и 2 связаны между собой через закон Ома:
![]()
Из полученной системы уравнений следует
рабочая формула для экспериментального определения электропроводности:
(9)
На рис.3 представлена схема для
измерения электропроводности образца.

Рис.
3. Схема измерения электропроводности полупроводника.
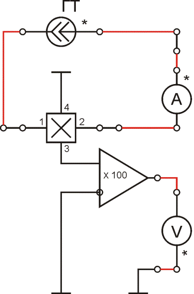
Холловское напряжение UH
измеряется
между точками 3 и 4 образца (рис. 4), которые должны быть эквипотенциальны при
нулевом значении индукции магнитного поля
.
Однако практически расположить точки 3 и 4 на одной эквипотенциальной
поверхности невозможно. Поэтому между этими точками, кроме холловской разности
потенциалов UH,
имеется дополнительная продольная разность потенциалов ΔU, по
величине не меньше холловской. Эту погрешность необходимо исключить.
Воспользуемся для этого тем, что при изменении направления вектора магнитной
индукции
на противоположное, при сохранении направления
тока I, знак холловского напряжения UH изменяется, а знак продольной
разности потенциалов ΔU не изменяется. Следовательно, при одном
направлении
напряжение между точками 3 и 4, будет
составлять:
U′34 = UH
+ ΔU.
А при обратном направлении
:
U′′34 = - UH
+ ΔU.
Вычитая из первого выражения второе и
выразив UH,
получим формулу, в которой погрешность ΔU исключена:
.
(10)
Для усиления сигнала с датчика Холла
используется неинвертирующий усилитель с коэффициентом усиления 100. Вольтметр
необходимо подключить к выходу этого усилителя.

Рис. 4.
Схема измерения холловского напряжения.
1.
Соберите электрическую схему в
соответствии с рис.3. В качестве источника подключите генератор тока. Рекомендуемое
значение силы тока 1 мА. Изменяя температуру Т от комнатной до
максимальной (380К), измерьте продольное напряжение U12.
2.
Вычислите электропроводность σ по формуле (4) и величину lnσ для каждого значения Т.
3.
Постройте график зависимости lnσ от величины T-1.
Определите по графику диапазон температур, соответствующий одному типу
проводимости.
4.
Снять зависимость холловского напряжения
UH от величины магнитного поля B при
постоянной силе тока и постоянной температуре из выбранного диапазона.
Измерения проводить, пользуясь методикой, приводящей к формуле (5).
5.
Снять зависимость холловского напряжения
UH от температуры при
постоянной величине магнитного поля B и постоянном токе I. Измерения
производить в найденном диапазоне температур. Измерения холловского напряжения
проводить, пользуясь методикой, приводящей к формуле (5).
6.
Оцените значения коэффициента Холла RН
для разных температур по формуле (1).
7.
Оцените значения концентрации носителей
заряда n для разных температур по формуле (3).
8.
Оцените значения подвижности μ для разных температур по формуле
(2).
9.
По знаку UH определите тип проводимости
полупроводника (n или p).
1.
Что такое примесный полупроводник?
2.
Эффект Холла.
3.
Сила Лоренца. Запишите формулу.
4.
Как направлена сила Лоренца?
5.
Какие параметры полупроводника можно определить с помощью эффекта
Холла?
6.
Как связаны удельное сопротивление и электропроводность
полупроводников?
7.
Как определить концентрацию носителей заряда? Запишите формулу
Литература
1.
Шалимова
К. В. Физика полупроводников. - М.: Лань, 2010.
2.
Ю.
П., Кардона М. Основы физики полупроводников. - М.: Физматлит, 2002.
3.
Пасынков
В.В., Чиркин Л.К.. Полупроводниковые приборы: учеб. пособие – СПб.: Лань, 2009