Фронтальная лабораторная
работа.
Экспериментальная
установка для лабораторных работ по электротехнике.
Теория
Электрической цепью называют совокупность
соединенных друг с другом элементов, по которым может протекать электрический
ток.
Для протекания тока необходимы источники электрической
энергии -источники напряжения (ЭДС) или тока. Электрическая цепь содержит также устройства, в которых энергия
электрического тока преобразуется в другие виды энергии (механическую,
тепловую, световую и т.д.). Эти устройства называются нагрузками.
Для замыкания и размыкания цепей используют выключатели того или
иного вида.
Электрический ток есть направленное (упорядоченное)
движение носителей зарядов. В проводниках носителями
отрицательных зарядов являются электроны, в жидкостях (электролитах) носители
положительных и отрицательных зарядов - ионы. В полупроводниках носителями
отрицательных зарядов являются электроны, носителями положительных зарядов -
дырки. Дырка представляет собой вакантное место в атоме полупроводника,
незанятое электроном.
Ток, неизменный во времени, называют постоянным. Он
обозначается символом I.
Количественно ток равен заряду q, который пересекает сечение проводника
за единицу времени t (1 секунду):
![]()
Для поддержания электрического тока требуется
обеспечивать разделение носителей отрицательных и положительных зарядов, что и
происходит в источниках.
Способность источника совершать работу по разделению
зарядов характеризуется электродвижущей силой (ЭДС), которая обозначается
символом Е.
Когда источник подключен к цепи, возникает
направленное движение зарядов под действием сил притяжения разноименных и
отталкивания одноименных зарядов, т.е. электрический ток. Вне источника
положительные носители заряда движутся от его положительного зажима (полюса) к
отрицательному зажиму (полюсу). Направление движения отрицательных зарядов
противоположно движению положительных зарядов. Работа,
совершаемая при движении зарядов по элементам электрической цепи
характеризуется напряжением, которое обозначается символом U.
Напряжение и
ток на участке цепи постоянного тока связаны законом Ома:
или
,
где R -коэффициент
пропорциональности между током и напряжением, называемый сопротивлением.
Мощность преобразования электрической энергии в другие
виды энергии выражается через ток и напряжение (закон Джоуля-Ленца):
.

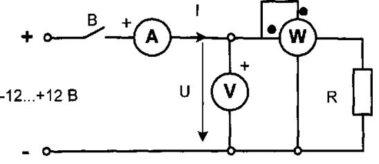
Рис.1.1
На расчётных схемах (т.е. на схемах, предназначенных
для расчёта электрической цепи) показывают стрелками направления токов и
напряжений. За направление тока принимают направление движения положительных
зарядов, а за направление напряжения - направление от положительного полюса
источника к отрицательному. Когда истинные направления
неизвестны, на схеме показывают условные (или предполагаемые) положительные
направления. Изображение электрической цепи с помощью условных обозначений
называют схемой электрической цепи (рис. 1.1).
Экспериментальная часть
Задание
Ознакомиться с измерениями токов, напряжений и
сопротивлений с помощью мультиметра, с измерением мощности с помощью ваттметра,
экспериментально убедиться в выполнении закона Ома и закона Джоуля-Ленца
в электрической цепи постоянного тока.
Порядок
выполнения эксперимента
·
Включите блок мультиметров,
установите на одном из них переключатель в положение измерения сопротивлений (Q), подключите к мультиметру с помощью
соединительных проводов любое сопротивление из набора миниблоков, выберите
ближайший превышающий измеряемое сопротивление предел измерения и запишите
показание мультиметра Rизм и номинальное
сопротивление, указанное на этикетке миниблока:
Rизм -,,,,,,,,,Ом; Rном………Ом.
·
Вычислите относительное отклонение
измеряемого сопротивления от номинального значения в % (относительную
погрешность):

·
Соберите цепь в соответствии с
принципиальной схемой (рис.1.1) и монтажной схемой (рис. 1.2), установив в
наборную панель сопротивление Rном
= 100... 1000 Ом. Запишите значение сопротивления в
табл.1.1.
Таблица
1
|
|
Измеренные
значения |
Вычисленные
значения |
|||
|
Rном, Ом |
U,
В |
I, мА |
Р, Вт |
Р, Вт |
R, Ом |
|
|
-5 |
|
|
|
|
|
|
4 |
|
|
|
|
|
|
6 |
|
|
|
|
|
|
8 |
|
|
|
|
|
|
12 |
|
|
|
|
· Убедитесь,
что при включении выключателя «В» в цепи появляется ток, а при
выключении - исчезает.
·
Устанавливая регулятором напряжения указанные
в табл. 1.1 значения, запишите в таблицу показания приборов. Не забывайте
следить за сигнальными сеетодиодами ваттметра! При
включении светодиода I> или U> переводите соответствующий
переключатель на больший предел. При включении светодиода I< или U<
переключайте его на меньший предел. Следите также за светодиодами, указывающими
размерность измеряемой мощности: Вт или мВт.
·
Вычислите значения мощности Р = UI и
сопротивления R = U/I и запишите результаты
в столбцы таблицы «Вычисленные значения». Сравните результаты измерений и
вычислений и сделайте выводы.

Рис.1.2