Лабораторная работа №6
Построение чертежа детали по заданным размерам.
Цель работы: научится
строить чертеж детали используя графические примитивы
Задание на лабораторную работу:
Изучить:
-
приемы построения элементов твердотельных моделей;
-
освоить приемы построения ассоциативных чертежей деталей с основными, - местными
видами и выносными элементами.
Графическое задание на лабораторную
работу:
-
по индивидуальным заданиям, построить чертеж детали (вид спереди, сверху, слева
и изометрию).
-
На формате А3 построить три вида и аксонометрию детали, нанести размеры.
Оформление отчета
Отчет выполняется в виде таблицы. В отчет должны
быть включены иллюстрации особенностей выполнения задания и ответы на
контрольные вопросы, а также не менее
пяти скриншотов промежуточных построений чертежа (по каждому заданию). Каждое
ключевое действие (использование новой для вас команды меню, использование
нового инструмента) отражайте в отчете с помощью соответствующего скриншота.
Контрольные
вопросы:
1.
Какие способы
построения 3-х мерных моделей тел
вращения в Компас 3D вы знаете?
2.
Какой алгоритм
построения 3-х мерной модели цилиндра?
3.
Какой алгоритм
построения 3-х мерной модели конуса?
4.
Дайте определение
кинематической поверхности
5.
На чем основан
кинематический способ конструирования поверхностей?
6.
Какой алгоритм
построения трехмерной модели тела вращения по образующей линии?
Список литературы
1.
Автоматизация
работы в КОМПАС-График (+ CD-ROM): Анатолий Герасимов — Москва, БХВ-Петербург,
2010 г.- 608 с.
2.
Компас-3D
V10 (+ CD-ROM): Анатолий Герасимов — Москва, БХВ-Петербург, 2008 г.- 976 с.
3.
Компас-3D
V11 на примерах (+ DVD-ROM): Павел Талалай — Москва,
БХВ-Петербург, 2010 г.- 616 с.
4.
Компас-3D
V11. Полное руководство (+ DVD-ROM): Н. В. Жарков, М. А. Минеев, Р. Г. Прокди — Москва, Наука и техника, 2010 г.- 688 с.
5.
Компас-3D
V9 на примерах (+ CD-ROM): Павел Талалай — Москва,
БХВ-Петербург, 2008 г.- 592 с.
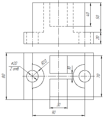
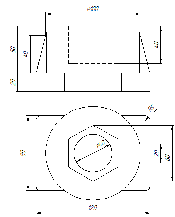
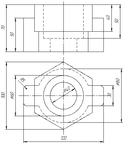
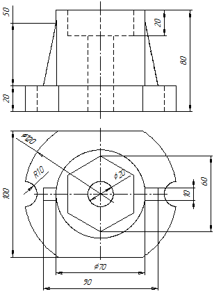
Индивидуальные
графические задания к лабораторной работе №6














Вариант
№2


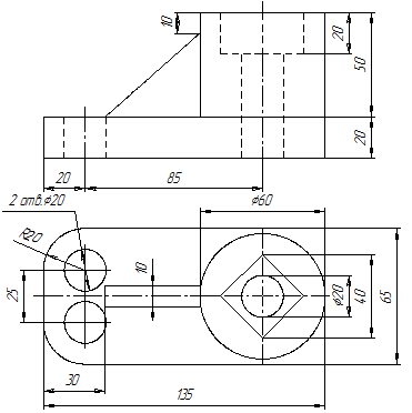
Вариант
№3


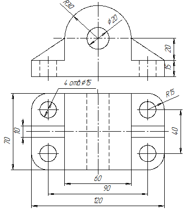
Вариант
№4


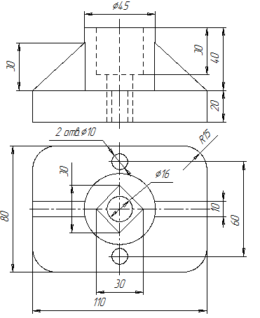
Вариант
№5


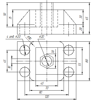
Вариант
№6


Вариант
№7


Вариант
№8


Вариант
№9


Вариант
№10


Вариант
№11

Вариант
№12


Лабораторная работа №6
ПОСТРОЕНИЕ
ЧЕРТЕЖА ДЕТАЛИ
Задание
на лабораторную работу:
·
изучить приемы
построения элементов твердотельных моделей;
·
освоить приемы
построения ассоциативных чертежей деталей с основными, местными видами и
выносными элементами.
Графическое
задание на лабораторную работу:
·
по индивидуальным
заданиям, приведенным на стр. 95-97 построить чертеж детали (вид спереди,
сверху, слева и изометрию).
Домашняя
расчетно-графическая работа №3:
·
На формате А3
построить три вида и аксонометрию детали, нанести размеры. Образец чертежа приведен
на стр.98. Индивидуальные задания
изображены на стр.99-105.
Особенности
построения твердотельных моделей деталей
Любую
деталь можно представить как совокупность различных геометрических тел, приемы
построения твердотельных моделей рассмотрены в лабораторной работе №3.

Рис.84
Твердотельная модель детали «Опора»
В
качестве примера рассмотрим последовательность построения модели детали
«Опора», изображенной на рис.84. Построение твердотельной модели детали
начинают с построения основания, к которому затем последовательно приклеивают
или вырезают из него различные элементы.
1.
Выберем плоскость проекций, на которой будет вычерчен эскиз основания детали.
Для
детали «Опора» выберем горизонтальную плоскость ZX и ориентацию Сверху.
На
горизонтальной плоскости вычертим эскиз основания – прямоугольник по центру с
высотой 60 мм и шириной 100 мм (рис.85), который выдавим на 30мм (рис.86).
Любая операция (выдавливания, приклеивания, вырезания и т.д.) завершается
нажатием на кнопку
Создать объект.

Рис.85 Эскиз основания детали «Опора»
![]()
2. Для построения верхнего элемента детали –
прямоугольной четырехгранной призмы на верхней плоскости основания вычертим
эскиз – квадрат со сторонами 40 мм (рис.87) и приклеим призму выдавливанием на
50мм (рис.88).

Рис.87 Эскиз призмы Рис.88 Операция приклеивания элемента
3.
Для создания цилиндрического отверстия на верхней грани призмы вычертим эскиз
отверстия – окружность радиусом 15 мм (рис.89) и вырежем отверстие
выдавливанием на глубину 40 мм (рис.90).

Рис.89 Эскиз отверстия Рис.90 Операция вырезания отверстия
4.
Для построения ребер жесткости на фронтальной плоскости проекций построим эскиз
(рис.91), для которого предварительно сделаем вспомогательными прямыми
разметку. Эскиз обязательно следует вычерчивать отрезком (тип линии – основная), вспомогательные прямые служат только для
предварительных построений.
Рис.92 Выбор толщины ребра
Рис.91 Построение эскиза ребра жесткости
5.
Для построения ребер жесткости служит кнопка
Ребро жесткости. На панели свойств
команды (рис.92) закладка Толщина позволяет выбрать Толщину ребра жесткости. Закладка
Параметры позволяет определить:
·
Положение ребра
жесткости относительно плоскости эскиза (рис.93);
- переключатель В плоскости
эскиза используется если необходимо построить ребро жесткости, средняя
плоскость или одна из боковых граней которого должна располагаться в той же
плоскости, что и его эскиз. Выберем этот переключатель.
- переключатель Ортогонально плоскости эскиза
означает, что ребро будет расположено перпендикулярно плоскости его эскиза.

![]()

Рис.93 Построение ребра жесткости
·
Направление
построения ребра жесткости определяется с помощью переключателя
Направление (Прямое/Обратное). Выбираем
Обратное направление.
На
экране направление показывается фантомной стрелкой в окне модели. Для построения
второго ребра жесткости все построения повторяем (рис.94).

Рис.94 Деталь с построенными ребрами жесткости
6.
Для того чтобы скруглить вертикальные углы основания детали, используем кнопку
Скругление
(рис.95), на панели свойств задаем радиус скругления
10 мм и указываем курсором ребро основания. Затем нажимаем кнопку Создать объект.





Рис.95 Построение скругления
ребер
7.
Для поочередного вырезания выдавливанием на глубину 15 мм двух отверстий,
расположенных на ребрах жесткости, построим эскизы – окружности радиусом R3 мм. Указав наклонную плоскость, на которой будет
вычерчиваться эскиз, выберем ориентацию – Нормально к … (рис.96).


Рис.96
Эскиз отверстия
Построенная
модель детали представлена на рис.84.
СОЗДАНИЕ
АССОЦИАТИВНЫХ ВИДОВ ДЕТАЛИ
Активный
вид
Приемы
построения основных ассоциативных видов (спереди, сверху, слева и изометрии)
изложены в лабораторной работе №3. Построим перечисленные ассоциативные виды
детали «Опора». Следует отметить, что активным, т.е. доступным для
редактирования (изменения) может быть только один из видов чертежа. Чтобы
сделать вид активным следует два раза щелкнуть левой кнопкой мыши по габаритной
рамке вида. В поле Текущий вид отображается номер или имя (это зависит от
настройки, сделанной в диалоге параметров видов) текущего вида. Чтобы сделать
текущим другой вид, введите или выберите из списка нужный номер (имя).
Рассмотрим
приемы редактирования построенных видов. Перемещение видов с разрушением
проекционных связей рассмотрено в лабораторной работе №3.
Удаление
и разрушение видов
Для
того чтобы удалить или разрушить вид следует выполнить следующие действия:
1.
Выделить вид, для чего следует щелкнуть по габаритной рамке вокруг вида.
Признаком выделения вида является наличие вокруг него подсвеченной зеленой
габаритной рамки.
2.
Щелкнуть правой клавишей мыши внутри габаритной рамки для вызова контекстного
меню (рис.97).

Рис.
97 Контекстное меню редактирования вида
Переключатель
контекстного меню Удалить вид позволяет стереть
выделенный вид.
Переключатель Разрушить вид позволяет ранее существовавший как единый
объект вид разрушить на отдельные примитивы (отрезки, окружности и т.д.).
Только у разрушенного вида можно стереть, изменить или переместить отдельные
элементы.
Построение
дополнительных видов по стрелке
Элементы
деталей, расположенные на наклонных плоскостях, при построении основных видов
искажаются. Например, цилиндрические отверстия на ребрах жесткости у детали
«Опора» на виде сверху и слева искажаются – вместо окружностей мы видим
эллипсы. Задать диаметры этих отверстий на таких видах затруднительно. Для того
чтобы избежать искажений, строят дополнительный вид по перпендикулярному к
наклонной плоскости направлению взгляда, показанного на чертеже стрелкой.
Для
построения дополнительного вида следует выполнить следующие действия:
1. Сделаем активным вид спереди.
2. Изобразим стрелку взгляда с помощью кнопки Стрелка
взгляда расположенной на странице Обозначения Компактной панели (рис.98).


![]()
Рис.98
Страница Обозначения
Вначале
указывается начальная точка (острие) стрелки, затем – вторая точка,
определяющая направление стрелки. Третья точка определяет положение надписи.
Надпись создается автоматически, в поле
Текст на Панели свойств внизу экрана
отображается предлагаемая системой буква для обозначения стрелки взгляда, можно
выбрать другую букву из контекстного меню этого поля.
Чтобы зафиксировать изображение, нажмите
кнопку Создать объект на Панели специального
управления.
3.
Построим ассоциативный вид по стрелке с помощью кнопки Вид по стрелке,
расположенной на странице Ассоциативные виды (рис.99).





Рис.99 Кнопки панели Ассоциативные виды
После
указания стрелки взгляда на экране появится фантом вида в виде габаритного
прямоугольника. Вид по стрелке располагается в проекционной связи со своим
опорным видом, что ограничивает возможность его перемещения (рис.100). Связь
отключается кнопкой Проекционная связь на вкладке Параметры.
Рис.100 Построение
вида по стрелке
Построение местного вида
Вид
по стрелке для детали «Опора» был построен только для того, чтобы без искажения
показать форму отверстий на ребрах жесткости, а вид всей детали не был нужен.
Для того чтобы показать ограниченный участок детали используют местные виды. Для построения местного вида необходимо указать его границу (замкнутый
контур). Содержимое вида, находящееся вне пределов выбранного контура,
перестанет отображаться на экране (рис.101).
Таким образом, местный вид создается путем усечения
изображения имеющегося вида модели.
Построим
местный вид по следующей схеме:
1.
Сделаем построенный вид по стрелке текущим.
2.
Ограничим участок с отверстием на виде по стрелке окружностью произвольного
радиуса. Радиус окружности выбирается из следующих соображений: на построенном
местном виде останется только часть вида внутри окружности, а все, что будет
вне окружности, не изображается.

Рис.101 Построение местного вида
3. С помощью кнопки
Местный вид на странице Ассоциативные
виды (рис.99) строим местный вид, для которого можно выбрать свой масштаб,
например, 2:1 с помощью контекстного меню редактирования вида (рис.97), которое
вызывается щелчком правой кнопкой мыши на выделенном виде. При изменении
масштаба следует изменить обозначение местного вида: А (2:1).
Построение
выносного элемента
В
тех случаях, когда на основных видах невозможно показать мелкие элементы детали
со всеми подробностями, применяют выносные элементы.
Выносным
элементом называют дополнительное отдельное изображение в увеличенном виде какой-либо
части детали.
В
качестве примера рассмотрим построение выносного элемента, позволяющего более
подробно изобразить проточку у крышки на рис.102. Для построения выносного
элемента следует выполнить следующие действия:
1.
Начертим контур, ограничивающий выносной элемент с помощью кнопки
Выносной элемент, расположенной на странице
Обозначения (рис.98). Вначале укажите
точку центра контура, ограничивающего выносной элемент, затем задайте размеры
конура и укажите точку начала полки т2.

Рис.102
Построение выносного элемента детали
Форму
контура, ограничивающего выносной элемент, можно выбрать с помощью кнопки Форма
на закладке Параметры (рис.103), направление полки также можно установить с
помощью кнопки Полка (рис.104).

Рис. 103 Выбор формы контура Рис.104 Выбор направления полки
2.
С помощью кнопки
Выносной элемент на панели Ассоциативные виды (рис.99) строим
выносной элемент. Масштаб увеличения выбирается из одноименного окна на панели
Параметры (рис.105).
![]()

Рис.105
Выбор масштаба отображения выносного элемента