Режимы нейтралей
электрических сетей.
Нейтрали
трансформаторов трехфазной сети заземляются либо непосредственно, либо через
сопротивления, или изолируются от земли. Нейтрали генераторов также заземляются
или изолируются от земли. Глухозаземленной нейтралью (рис.3.1а)
называется нейтраль трансформатора или генератора, присоединенная к
заземляющему устройству (совокупность заземлителя и заземляющих проводников). Изолированной
нейтралью (рис.3.1в) называют нейтраль трансформатора
или генератора, не присоединенную к заземляющему устройству [1,3].
Для
управления взаимодействием с землей
нейтрали в сетях среднего напряжения могут заземляться через настраиваемую
индуктивность, которая во много раз больше суммарной индуктивности
электрической сети. Такие сети называются сетями с компенсированной
нейтралью.

Рис.3.1. Нулевая точка трехфазных электрических сетей: а – заземлена
наглухо; б – заземленная через
высокоомное сопротивление; в
– изолированная от земли.
При
однофазном коротком замыкании на землю симметрия электрической системы
нарушается: изменяются напряжения фаз относительно земли, появляются токи
короткого замыкания, возникают перенапряжения в сетях. Степень изменения
симметрии зависит от режима нейтрали, т.е. способа ее заземления.
Режим
нейтрали в электрических сетях до 1000 В определяется безопасностью обслуживания
сетей, в сетях выше 1000 В – бесперебойностью электроснабжения, экономичностью
и надежностью работы электроустановок. Правилами устройства электроустановок
(ПУЭ) работа электроустановок напряжением до 1000 В допускается как с
глухозаземленной, так и с изолированной нейтралью.
3.1.
Электрические сети напряжением до 1000
В с глухозаземленной нейтралью.
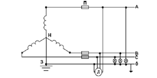
Наиболее
распространенные – четырёхпроводные сети трехфазного тока напряжением 380/220,
220/127, 660/380 (числитель
соответствует линейному напряжению, а знаменатель – фазному напряжению). Именно
с этими сетями соприкасается широкий круг лиц, и ПУЭ требует глухого заземления
нейтрали.
Лампы
накаливания включаются на фазное напряжение (между фазным проводом и нулевым).
Двигатели включаются на все три фазы А, В и С. Корпус двигателя, а также все
другие металлические части заземляются в целях безопасности или присоединяются
к нулевому проводу.
Замыкание
на землю любой фазы приводит к короткому замыканию (КЗ). Ток однофазного КЗ
ограничивается сопротивлением заземляющего устройства, т. к. это сопротивление
невелико. При фазном напряжении ток достигает значительной величины и
воздействует на защитное устройство фазы – предохранитель (может быть автомат с
тепловым или магнитным расцепителем). Устройство срабатывает (предохранитель
перегорает) и отключает поврежденную фазу. Сеть продолжает работать в
неполнофазном режиме. Напряжение двух оставшихся в работе фаз не превышает
фазного значения. К таким потребителям относятся: освещение, нагревательные
приборы, сварочные устройства и др.

Рис.3.2. Четырехпроводная сеть трехфазного тока.
Повреждение
изоляции оборудования на корпус приводит к КЗ и к отключению места повреждения.
Трехфазные
потребители (двигатели) при однофазном КЗ оказываются включенными на
несимметричную систему напряжения, что особо опасно для двигателей.
Электромагнитное поле теряет свои свойства и становится пульсирующим. Вращающий
момент двигателя уменьшается, двигатель останавливается, сопротивление
уменьшается, что приводит к резкому увеличению потребляемых ими токов. Это
ведет к нагреву обмоток машины. Необходимо быстрое их отключение защитой.
Глухозаземленная нейтраль применяется в разветвленных сетях. Недостаток
глухозаземленных нейтралей – значительный ток однофазного КЗ, который подлежит
немедленному отключению защитой поврежденного участка, что приводит к убыткам
от недоотпуска электроэнергии.
3.2.
Электрические сети напряжением до 1000
В с изолированной нейтралью.
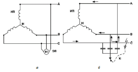
Это
трёхпроводные сети, которые нашли применение для питания особо ответственных
потребителей при малой разветвленности сетей при обеспечении в сетях контроля
фазной изоляции. Это сети, угольные шахты, горные карьеры, вентиляционные
установки, цехи с повышенной опасностью выделения токсичных газов.
В
таких сетях замыкание на землю не приводит к КЗ, не сопровождается протеканием
больших токов и не является опасным. Такое замыкание называется простым и не
приводит к отключению поврежденной фазы.
Напряжение
на двух неповрежденных фазах увеличивается в 3 раз до линейного значения. Междуфазные (линейные) напряжения не
изменяются, и следовательно, не изменяются условия работы электропотребителей,
включенных на линейное напряжение, что обусловливает бесперебойность
электроснабжения. Время нахождения неповрежденных фаз под повышенным
напряжением ограничено двумя часами. Длительная работа установок с заземленной
на землю фазой недопустима, т. к. может привести еще к одному простому
замыканию, и эти два замыкания представляют собой уже двухфазное КЗ на землю,
сопровождающееся большим током КЗ, и выходу из строя оборудования.

Рис.3.3. Сеть с изолированной нейтралью: а – схема; б – векторная
диаграмма напряжений при замыкании фазы на землю.
3.3.
Электрические сети напряжением свыше
1000 В.
Электроустановки
выше 1000 В, согласно ПУЭ, делятся на электроустановки с малыми токами
замыкания на землю (Iз £500А), к которым относятся сети,
работающие с изолированной или компенсированной нейтралью, и электроустановки с
большими токами замыкания на землю (Iз ³500А), работающие с глухозаземленной
нейтралью.
Ток
однофазного замыкания на землю в сетях с изолированной нейтралью определяется
частичными емкостями фаз сети по отношению к земле и зависит от напряжения,
конструкции и протяженности сети. При замыкании на землю фазы, например С, ее
напряжение по отношению к земле будет равно нулю, а напряжения двух других фаз
увеличатся
раз и угол сдвига между векторами этих
напряжений будет 600. Емкостной ток поврежденной фазы будет равен
нулю, а емкостные токи каждой неповрежденной фазы увеличатся пропорционально
росту напряжений на емкости и соответственно будут равны
. Суммарный ток через емкости
неповрежденных фаз
, равный геометрической сумме токов
этих фаз, будет проходить через место замыкания фазы С на землю, замыкаясь
через источник питания сети.

Рис. 3.4. Высоковольтная сеть с изолированной нейтралью: а – схема; б
– распределение емкостных токов при замыкании фазы на землю.
При
неметаллическом замыкании на землю в месте замыкания возникает перемежающая
дуга, которая сопровождается повторительными гашениями и зажиганиями. между
емкостью и индуктивностью сети в этом случае появляются свободные
электромагнитные колебания высокой частоты, вследствие чего в сети возникают
перенапряжения. Амплитуда дуговых перенапряжений в сетях 6…35 кВ, согласно
многократно проведенным исследованиям, при отсутствии феррорезонансных явлений
может достигать значений
на неповрежденных фазах и
- на поврежденной.
Кратковременные
дуговые перенапряжения такой величины не опасны для нормальной работы изоляции
оборудования. Однако длительное воздействие перенапряжений на изоляцию
(например, КЛ) может привести к ионизации и ее тепловому пробою в любой точке
сети. Кроме того, наличие значительного тока в дуге развитых кабельных сетей
приводит к переходу однофазных замыканий в двух- и трехфазные короткие
замыкания и отключению электроприемников.
Предельные
значения емкостного тока замыкания на землю в сетях с изолированной нейтралью,
при которых еще обеспечивается самопогасание дуги, в месте замыкания составляют
10А для ВЛ 35 кВ и от 10 до 30 А для КЛ в зависимости от номинального
напряжения. Такие токи соответствуют электрическим сетям с суммарной протяженностью
электрически связанных ВЛ и КЛ свыше 100 км. Эти сети должны работать с
компенсированной нейтралью. Компенсация осуществляется включением в нейтральную
точку трехфазной сети настраиваемого индуктивного сопротивления – дугогасящей
катушки (реактора).
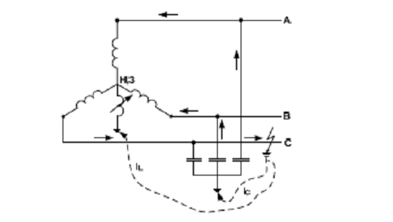
Если
замыкание фазы на землю происходит в сети с компенсированной нейтралью, то напряжение двух неповрежденных фаз увеличится
в
раз, а напряжение нейтрали будет равно фазному
напряжению. Под действием этого напряжения через дугогасящую катушку пойдет
ток. Сопротивление катушки подбирают таким образом, чтобы индуктивный ток
, проходящий через катушку, был по
величине равен суммарному емкостному току
, проходящему через фазные емкости
сети. В этом случае ток в месте замыкания фазы на землю, представляющий собой
геометрическую сумму этих двух токов, будет равен нулю и, следовательно,
возникшая дуга погаснет. Такая настройка катушки с полной компенсацией
емкостного тока называется резонансной.

Рис.3.5. Распределение токов в сети с компенсированной нейтралью при
замыкании фазы на землю.
В
сетях 110..220 кВ однофазные замыкания на землю составляют свыше 75..85% всех
повреждений, а в сетях более высокого
напряжения повреждения междуфазной изоляции вообще очень редки.
При
коротких замыканиях на землю в таких сетях в месте повреждения возникает дуга с
большим током, которая гаснет из-за отключения ЛЭП. В переходном режиме и при
коммутациях в сети возникают внутренние перенапряжения кратностью
. Внутренние перенапряжения оказывают
определяющее влияние на выбор изоляции, поэтому необходимо принимать возможные
меры для их снижения.
Для
снижения внутренних перенапряжений нейтрали трансформаторов и
автотрансформаторов в высоковольтных сетях заземляют наглухо. В сетях 110…220
кВ заземляют такое количество нейтралей, которое обеспечивает их эффективное
заземление.
Электрической
сетью с эффективностью заземленной нейтралью называется трехфазная
электрическая сеть напряжением свыше 1 кВ, в которой коэффициент замыкания на
землю не превышает 1,4.
Коэффициентом
замыкания на землю в трехфазной электрической сети называется отношение
разности потенциалов между неповрежденной фазой и землей в точке замыкания
одной или двух других фаз к разности потенциалов между неповрежденной фазой и
землей в этой точке до замыкания.
В
сетях 330 кВ и выше применяют глухое заземление всех трансформаторов и
автотрансформаторов.
Таблица 3.1. Режимы нейтралей [1].
|
|
Область применения |
Преимущества |
Недостатки |
|
Сети до 1000 В с глухозаземленной нейтралью |
Четырехпроводные Сети 380/220,220/127,660/380 B |
Наиболее распространенные |
Дополнительный расход металла на нулевой провод |
|
Сети до 1000 В с изолированной нейтралью |
Трехпроводные сети 660 В, 220 В при наличии ламп
накаливания и двигателей |
Меньший расход провода |
Систематический контроль изоляции |
|
Сети с изолированной нейтралью с малым током
замыкания на землю |
До 35 кВ |
При замыкании на землю потребитель не отключается |
Требуется дугогасящая катушка, усиление изоляции
между фазой и землей |
|
Сети с компенсированной нейтралью при малом токе
замыкания на землю |
КЛ и ВЛ 35 кВ |
Компенсация емкостного тока током индуктивной катушки.
Потребитель не отключается |
Требуется дугогасящая катушка, усиление изоляции
между фазой и землей |
|
Сети с глухозаземленной нейтралью при большом
токе замыкания на землю |
110 кВ и выше, часть трансформаторов на 110 кВ и
220 кВ разземляют |
Не нужно усиливать изоляцию |
Отключение потребителя при КЗ |
1.
Что такое
номинальное напряжение?
2.
Каков номинальный
ряд напряжений электрических сетей?
3.
Какова
классификация электрических сетей по напряжению, охвату территории, назначению?
4.
Почему напряжение в
узлах сети постоянно изменяется, а не остаётся постоянным?
5.
Что делается для
того, чтобы скомпенсировать падение напряжения в питаемой сети?
6.
Какие Вы знаете
режимы нейтралей электрической сети в зависимости от напряжения?
7.
Почему применяется
глухозаземлённая нейтраль в низковольтных сетях?
8.
Какое время работы
неповреждённых фаз под повышенным напряжением для низковольтной сети с
изолированной нейтралью?
9.
Насколько опасно
замыкание на землю в низковольтных сетях с изолированной нейтралью?
10.
Какое напряжение
должна выдерживать изоляция?
11.
После замыкания
фазы на землю в высоковольтной сети с изолированной нейтралью, по какому пути
потечёт ток?
12.
После замыкания
фазы на землю в высоковольтной сети с изолированной нейтралью, каким будет напряжение
фаз?
13.
К чему может
привести замыкание фазы на землю в высоковольтной сети с изолированной
нейтралью?
14.
Для чего
устанавливают дугогасящую катушку в сетях с компенсированной нейтралью?
15.
Какая настройка
катушки называется резонансной?
16.
Где вероятность перенапряжения
меньше: в сетях с изолированной нейтралью или компенсированной нейтралью?
17.
Какие сети
относятся к высоковольтным с глухозаземлённой нейтралью?
18.
В каком случае в
сетях с глухозаземлённой нейтралью возникает короткозамкнутый контур?